• Engineering
  • Roboteranwendungen
    • Druckluftwerkzeuge
    • Elektrowerkzeuge
    • Zubehöre
    • Beispiele (Video)
  • Bearbeitungszentrum
    • Werkzeuge
    • Beispiele (Video)
  • Referenzen
  • Unternehmen
    • Kontakt
    • Team
    • Geschichte
  • +41 52 320 91 10
  • Amtru Business AG
    Schulstrasse 11
    CH-8542 Wiesendangen
    Switzerland
DE / EN
Swinbelt 100
  • Übersicht
  • Technische Daten
  • Datenblatt (PDF)
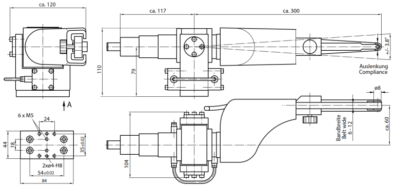
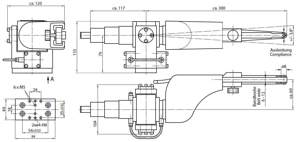
Artikel-Nr.
1110.200
Hubzahl pro min
20'000
Bandgeschwindigkeit
31 m/s (bei Bandstärke von 1mm)
Bandlänge
610 mm
Max. Bandbreite
12 mm
Auslenkung pendelnd in 2 Richtungen
± 3.8° / ± 8.5 mm (an der Bandschleiferspitze)
Auslenkmoment
2.4 Nm bei 6 bar
Vorschub
5 - 100 mm/sec.
Luftverbrauch
8.3 l/s (17.7 cfm)
Gewicht
2.2 kg



+41 52 320 91 10
info@amtru.com
Amtru Business AG
Schulstrasse 11
8542 Wiesendangen

©  Amtru Business AG. Datenschutz.